| Sign In | Join Free | My hardware-wholesale.com |
|
Brand Name : INWAY
Model Number : ACCORDING TO DRAWING
Certification : ISO9001
Place of Origin : CHINA
MOQ : 1 PCS
Packaging Details : CARTON
Price : Discuss Personally
Delivery Time : IN STOCK
Payment Terms : T/T,L/C
Supply Ability : 100 TON/MONTH
Material : Steel with sintered bronze
Harrness : 56 or more HRC
Lubricating : Oil groove
Type : Flanged
Sintered Bronze Bushing ISO 9448-6 Self Lube Wear Plates Busing / Sliding Plates Sintered Alloy
1. we can provide widely sintered material items .
2. The sintered wear plates .
3. The sintered steel guide bushing .
4. Steel guide bushing with ECO .
5. V type sintered sliding parts.
Steel Headed Guide Bushes, oil groove suitable for guide pin for stamping die moulds .
INW series Sintered Bronze Bushings set a new standard of performance for stamping die guide bushings. A layer of bronze is sintered to the inside diameter of a steel bushing, creating a mechanical bond at the bronze / steel interface stronger than that of traditional plated bushings. DANLY Sintered Bronze Bushings do not suffer from peeling as do plated bushings.
Because the sintered bronze surface is porous, it holds the lubrication oil in place, maintaining the integrity of the lubrication boundary layer and providing improved wear resistance.
The inserted diameter has been hardened to resist wear and accidental damage, and it will maintain its correct geometry throughout numerous insertions and disassembles. The flange has been carefully ground perpendicular to the axis of the inside diameter; if the ground flange is properly seated the bushing bore is automatically true to the plate mounting surface.
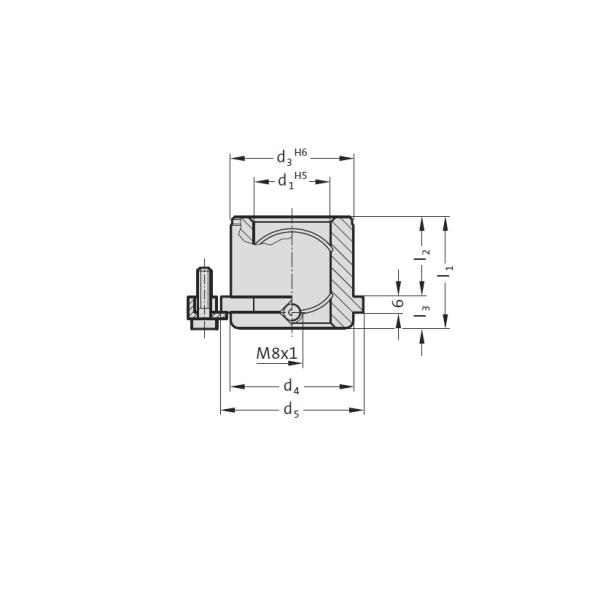
| Code No. | d1 H5 | d3H6 | d4 | d5 | d6 | d7 | l1 | l2 | l3 |
| INW-019 | 19 | 32 | 32 | 40 | 52 | 64.7 | 35 | 23 | 12 |
| INW-020 | 20 | 32 | 32 | 40 | 52 | 64.7 | 35 | 23 | 12 |
| INW-024 | 24 | 40 | 40 | 48 | 60 | 72.7 | 42 | 30 | 12 |
| INW-025 | 25 | 40 | 40 | 48 | 60 | 72.7 | 42 | 30 | 12 |
| INW-030 | 30 | 48 | 48 | 56 | 67 | 79.7 | 52 | 37 | 12 |
| INW-032 | 32 | 48 | 48 | 56 | 67 | 79.7 | 52 | 37 | 12 |
| INW-038 | 38 | 58 | 58 | 66 | 77 | 89.7 | 65 | 47 | 15 |
| INW-040 | 40 | 58 | 58 | 66 | 77 | 89.7 | 65 | 47 | 15 |
| INW-048 | 48 | 70 | 70 | 80 | 91 | 103.7 | 80 | 60 | 18 |
| INW-050 | 50 | 70 | 70 | 80 | 91 | 103.7 | 80 | 60 | 18 |
| INW-060 | 60 | 85 | 85 | 95 | 106 | 118.7 | 80 | 60 | 20 |
| INW-063 | 63 | 85 | 85 | 95 | 106 | 118.7 | 80 | 60 | 20 |
| INW-080 | 80 | 105 | 105 | 118 | 129 | 141 | 80 | 60 | 20 |

|
|
Sintered Bronze Bushing ISO 9448-6 Self Lube Wear Plates Busing / Sliding Plates Sintered Alloy Images |